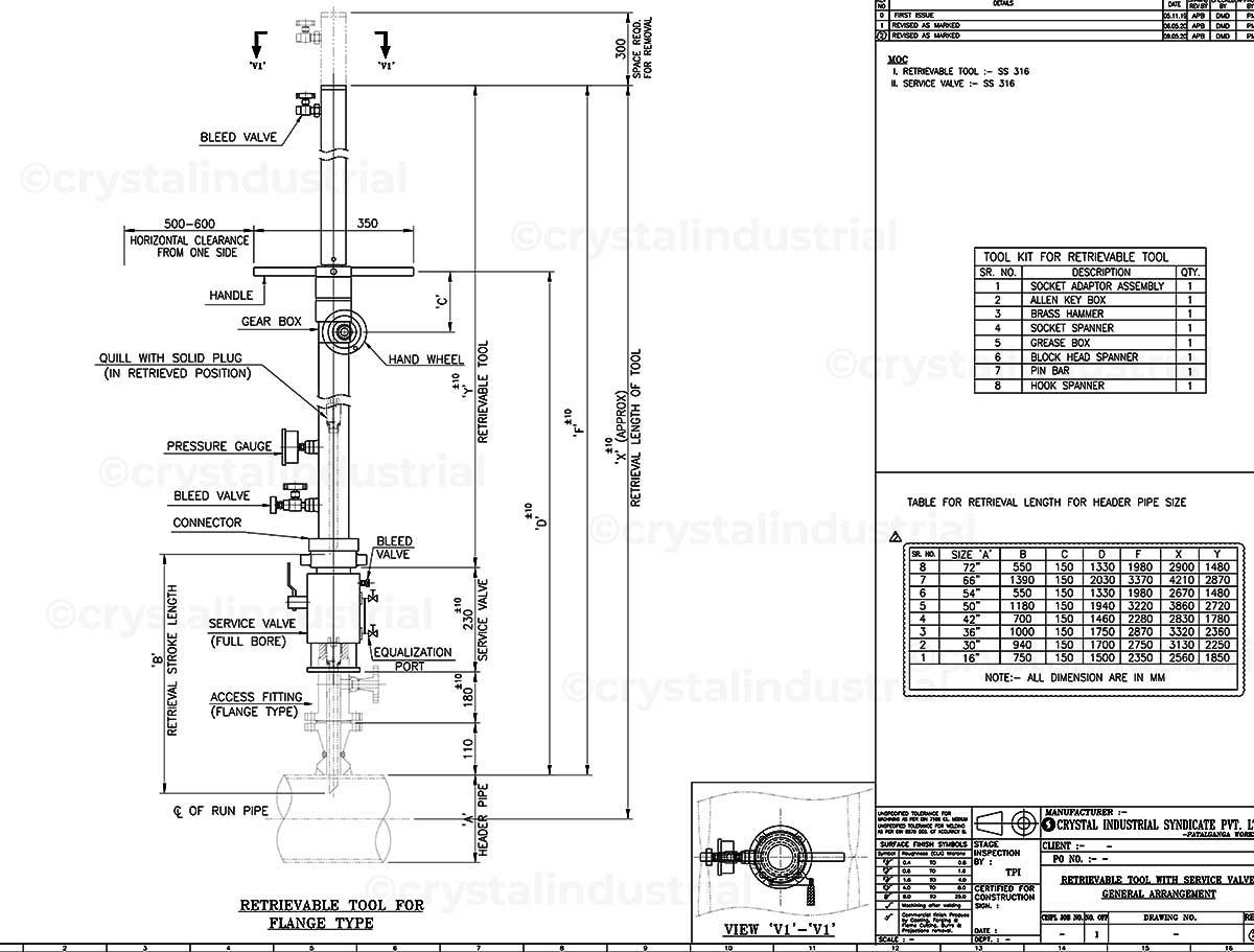
Retrievable Tool for Flanged type access fitting
Schematic drawing for Retrievable Tools
Schematic drawing for Retrievable Tools
We offer the following services for our Retrievable Tools
We make custom-manufactured Retrievable Tools to meet unique requirements of your processes.
Learn MoreCrystal's Retrievable Tools offer extensive documentation and process information.
Learn MoreCheck out the frequently asked questions about Retrievable Tools answered here.
Learn MoreCrystal's team of engineers offer global support for our Retrievable Tools, anywhere in the world.
Learn More